Pytanie 1
To pytanie jest dostępne tylko dla zalogowanych użytkowników. Zaloguj się lub utwórz konto aby zobaczyć pełną treść pytania.
Odpowiedzi dostępne po zalogowaniu.
Wyjaśnienie dostępne po zalogowaniu.
Wynik: 31/40 punktów (77,5%)
Wymagane minimum: 20 punktów (50%)
To pytanie jest dostępne tylko dla zalogowanych użytkowników. Zaloguj się lub utwórz konto aby zobaczyć pełną treść pytania.
Odpowiedzi dostępne po zalogowaniu.
Wyjaśnienie dostępne po zalogowaniu.
Który rodzaj smaru powinien być regularnie uzupełniany w smarownicy pneumatycznej?
To pytanie jest dostępne tylko dla zalogowanych użytkowników. Zaloguj się lub utwórz konto aby zobaczyć pełną treść pytania.
Odpowiedzi dostępne po zalogowaniu.
Wyjaśnienie dostępne po zalogowaniu.
Który rodzaj prądów i napięć można zmierzyć miernikiem przedstawionym na rysunku?

Jaką czynność należy przeprowadzić, aby zwiększyć średnicę otworu i umożliwić osadzenie w nim łba śruby?
Jaki przyrząd pomiarowy jest używany do wyznaczenia poziomu skrzynki montowanej jako osłona dla zamontowanego elektrozaworu?
To pytanie jest dostępne tylko dla zalogowanych użytkowników. Zaloguj się lub utwórz konto aby zobaczyć pełną treść pytania.
Odpowiedzi dostępne po zalogowaniu.
Wyjaśnienie dostępne po zalogowaniu.
Aby zweryfikować ciągłość układów elektrycznych, wykorzystuje się
To pytanie jest dostępne tylko dla zalogowanych użytkowników. Zaloguj się lub utwórz konto aby zobaczyć pełną treść pytania.
Odpowiedzi dostępne po zalogowaniu.
Wyjaśnienie dostępne po zalogowaniu.
To pytanie jest dostępne tylko dla zalogowanych użytkowników. Zaloguj się lub utwórz konto aby zobaczyć pełną treść pytania.
Odpowiedzi dostępne po zalogowaniu.
Wyjaśnienie dostępne po zalogowaniu.
Na podstawie wyników pomiarów rezystancji zestyków przycisków S1 i S2 przedstawionych w tabeli można wnioskować, że
| Pomiar rezystancji zestyku w Ω | ||||
|---|---|---|---|---|
| przycisku zwiernego S1 | przycisku rozwiernego S2 | |||
| przed wciśnięciem przycisku | po wciśnięciu przycisku | przed wciśnięciem przycisku | po wciśnięciu przycisku | |
| ∞ | ∞ | 0 | 0 | |
To pytanie jest dostępne tylko dla zalogowanych użytkowników. Zaloguj się lub utwórz konto aby zobaczyć pełną treść pytania.
Odpowiedzi dostępne po zalogowaniu.
Wyjaśnienie dostępne po zalogowaniu.
Do metod oceny stanu łożysk tocznych nie zalicza się pomiaru
Na której ilustracji przedstawiono prawidłowe zaciśnięcie końcówki przewodu w obszarze z izolacją?

Element elektroniczny przedstawiony na rysunku to

Z tabeli wynika, że orientacyjna siła siłownika o średnicy tłoka 12 mm, tłoczyska 6 mm, przy ciśnieniu roboczym 4 bar uzyskiwana podczas powrotu wynosi
| Orientacyjna siła uzyskana na siłowniku w zależności od zadanego ciśnienia | ||||||||||||
|---|---|---|---|---|---|---|---|---|---|---|---|---|
| Średnica tłoka | Średnica tłoczyska | Powierzchnia pracy mm² | Ciśnienie robocze (bar) | |||||||||
| 1 | 2 | 3 | 4 | 5 | 6 | 7 | 8 | 9 | 10 | |||
| siła w N | ||||||||||||
| ø12 | ø6 | wysuw = 113 | 11 | 23 | 34 | 45 | 57 | 68 | 79 | 90 | 102 | 113 |
| powrót = 85 | 8 | 17 | 25 | 34 | 42 | 51 | 59 | 68 | 76 | 85 | ||
| ø16 | ø8 | wysuw = 201 | 20 | 40 | 60 | 80 | 100 | 121 | 141 | 161 | 181 | 201 |
| powrót = 151 | 15 | 30 | 45 | 60 | 75 | 90 | 106 | 121 | 136 | 151 | ||
| ø20 | ø10 | wysuw = 314 | 31 | 63 | 94 | 126 | 157 | 188 | 220 | 251 | 283 | 314 |
| powrót = 236 | 24 | 47 | 71 | 94 | 118 | 141 | 165 | 189 | 212 | 236 | ||
| ø25 | ø10 | wysuw = 491 | 49 | 98 | 147 | 196 | 245 | 295 | 344 | 393 | 442 | 491 |
| powrót = 412 | 41 | 82 | 124 | 165 | 206 | 247 | 289 | 330 | 371 | 412 | ||
Symbol przedstawiony na rysunku należy umieścić na urządzeniu

Osoba pracująca z urządzeniami pneumatycznymi emitującymi głośny dźwięk jest narażona na
To pytanie jest dostępne tylko dla zalogowanych użytkowników. Zaloguj się lub utwórz konto aby zobaczyć pełną treść pytania.
Odpowiedzi dostępne po zalogowaniu.
Wyjaśnienie dostępne po zalogowaniu.
To pytanie jest dostępne tylko dla zalogowanych użytkowników. Zaloguj się lub utwórz konto aby zobaczyć pełną treść pytania.
Odpowiedzi dostępne po zalogowaniu.
Wyjaśnienie dostępne po zalogowaniu.
To pytanie jest dostępne tylko dla zalogowanych użytkowników. Zaloguj się lub utwórz konto aby zobaczyć pełną treść pytania.
Odpowiedzi dostępne po zalogowaniu.
Wyjaśnienie dostępne po zalogowaniu.
Na podstawie przedstawionej tabliczki znamionowej transformatora wskaż zależność, która określa jego przekładnię napięciową.

Osoba obsługująca urządzenie generujące drgania, takie jak młot pneumatyczny, powinna być przede wszystkim wyposażona
Pralka automatyczna nie reaguje po naciśnięciu przycisku zasilania. Co może być przyczyną takiej sytuacji?
To pytanie jest dostępne tylko dla zalogowanych użytkowników. Zaloguj się lub utwórz konto aby zobaczyć pełną treść pytania.
Odpowiedzi dostępne po zalogowaniu.
Wyjaśnienie dostępne po zalogowaniu.
Demontaż niepodłączonego elementu, przedstawionego na rysunku, zamontowanego na szynie DIN wymaga użycia

To pytanie jest dostępne tylko dla zalogowanych użytkowników. Zaloguj się lub utwórz konto aby zobaczyć pełną treść pytania.
Odpowiedzi dostępne po zalogowaniu.
Wyjaśnienie dostępne po zalogowaniu.
W jaki sposób można zmienić kierunek obrotów wału w trójfazowym silniku indukcyjnym?
To pytanie jest dostępne tylko dla zalogowanych użytkowników. Zaloguj się lub utwórz konto aby zobaczyć pełną treść pytania.
Odpowiedzi dostępne po zalogowaniu.
Wyjaśnienie dostępne po zalogowaniu.
To pytanie jest dostępne tylko dla zalogowanych użytkowników. Zaloguj się lub utwórz konto aby zobaczyć pełną treść pytania.
Odpowiedzi dostępne po zalogowaniu.
Wyjaśnienie dostępne po zalogowaniu.
W wyniku incydentu u rannego wystąpił krwotok zewnętrzny, a w ranie pozostało ciało obce. Co należy zrobić w pierwszej kolejności?
To pytanie jest dostępne tylko dla zalogowanych użytkowników. Zaloguj się lub utwórz konto aby zobaczyć pełną treść pytania.
Odpowiedzi dostępne po zalogowaniu.
Wyjaśnienie dostępne po zalogowaniu.
Jakim symbolem literowym określa się zmienną wyjściową w sterowniku PLC?
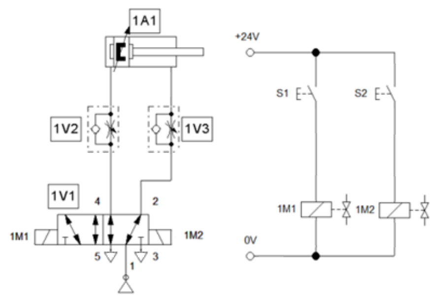
W układzie elektropneumatycznym przedstawionym na ilustracji należy zamontować zawór rozdzielający w wersji
| Wersja zaworu | W1 | W2 | W3 | W4 |
|---|---|---|---|---|
| Liczba cewek | 1 | 2 | 1 | 2 |
| Typ zaworu | 4/2 | 4/3 | 5/2 | 5/2 |
| Biegunowość zasilania | dowolna | dowolna | dowolna | dowolna |

Ile minimalnie 8 bitowych portów we/wy powinien posiadać mikrokontroler PIC wyposażony w szeregowy
8-bitowy przetwornik analogowo-cyfrowy oznaczony ADC0831, aby można było zrealizować układ mechatroniczny przedstawiony na rysunku?

Na rysunku przedstawiono tabliczkę znamionową

W trakcie pracy z urządzeniem hydraulicznym pracownik poślizgnął się na plamie oleju i doznał zwichnięcia kostki. Jakie czynności należy podjąć, aby udzielić pierwszej pomocy poszkodowanemu?
Siłownik, zasilany sprężonym powietrzem o ciśnieniu roboczym 8 barów, działa z prędkością 50 cykli na minutę i zużywa 1,4 litra powietrza w trakcie jednego cyklu. Jakie parametry powinna mieć sprężarka tłokowa do zasilania siłownika?
To pytanie jest dostępne tylko dla zalogowanych użytkowników. Zaloguj się lub utwórz konto aby zobaczyć pełną treść pytania.
Odpowiedzi dostępne po zalogowaniu.
Wyjaśnienie dostępne po zalogowaniu.
Układ mechatroniczny jest zbudowany z elementu wykonawczego funkcjonującego w specjalnej osłonie, pod wysokim ciśnieniem roboczym, oraz z komponentów sterujących połączonych wzmocnionymi przewodami pneumatycznymi, które są mocowane za pomocą złączy wtykowych. Osoba obsługująca ten układ może być szczególnie narażona na uderzenie