Pytanie 1
Jaką rurę instalacyjną przedstawia symbol RKLF 20?
Wynik: 22/40 punktów (55,0%)
Wymagane minimum: 20 punktów (50%)
Jaką rurę instalacyjną przedstawia symbol RKLF 20?
Jaką metodę należy zastosować do bezpośredniego pomiaru rezystancji przewodów?
Którego klucza należy użyć do przymocowania urządzenia elektrycznego do podłoża przy użyciu wkrętów, jak przedstawiony na ilustracji?

Jakie jest minimalne napięcie znamionowe izolacji, jakie powinien posiadać przewód przeznaczony do instalacji trójfazowej 230/400 V, umieszczonej w rurkach stalowych?
Jaki przewód na schemacie montażowym instalacji elektrycznej oznacza się symbolem przedstawionym na rysunku?

W układzie zasilania jakiej lampy oświetleniowej wykorzystuje się tyrystorowy system zapłonowy?
Rysunek przedstawia schemat lampy z układem zapłonowym. Jaka to lampa?

Który schemat montażowy instalacji oświetleniowej przedstawionej na zamieszczonym planie jest prawidłowy?

Która z poniższych wartości wskazuje na najwyższy poziom precyzji narzędzia pomiarowego?
Który element przedstawiono na ilustracji?

W jaki sposób powinno się przeprowadzać zalecane przez producenta regularne testy działania wyłącznika różnicowoprądowego?
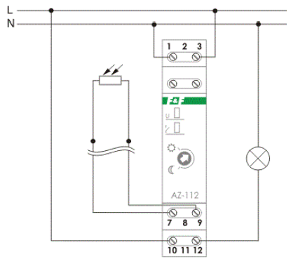
Do których zacisków przekaźnika zmierzchowego należy podłączyć czujkę światła?

Który z podanych materiałów charakteryzuje się najwyższą właściwą przewodnością elektryczną?
Jaką najwyższą wartość powinien mieć wyłącznik silnikowy, chroniący trójfazowy silnik indukcyjny klatkowy o prądzie znamionowym równym 11,1 A, aby zabezpieczyć go przed przeciążeniem przy jednoczesnym zachowaniu możliwości znamionowego obciążenia momentem hamującym?
Jakie materiały są wykorzystywane do izolacji żył przewodów elektrycznych?
Przed dokonaniem pomiaru rezystancji izolacji w instalacji elektrycznej najpierw należy odciąć napięcie zasilające, a potem
W instalacji elektrycznej, której schemat przedstawiono na rysunku, po wykonanym montażu włączono pierwszy klawisz łącznika i wszystkie żarówki się tylko żarzyły, natomiast po włączeniu drugiego klawisza, przy włączonym pierwszym, zaświeciły się cztery żarówki. W celu ustalenia przyczyny nieprawidłowego działania instalacji należy sprawdzić poprawność połączeń przewodów do zacisków

Na podstawie przedstawionej tabeli obciążalności długotrwałej przewodów dobierz przekrój żył przewodu czterożyłowego ułożonego na ścianie, na uchwytach, zasilającego oporowy piec trójfazowy o prądzie znamionowym 36 A w sieci o napięciu 230/400 V.

Jakie oznaczenie powinna posiadać wkładka topikowa do ochrony przewodów przed skutkami zwarć i przeciążeń w obwodzie jednofazowego elektrycznego bojlera o parametrach znamionowych: PN = 3 kW, UN = 230 V?
Przedstawione w tabeli parametry techniczne dotyczą
| Parametry techniczne |
|
Jakie kroki oraz w jakiej kolejności należy wykonać przy wymianie uszkodzonego łącznika?
Jakiego narzędzia należy użyć, aby zweryfikować, czy nie ma napięcia w instalacji elektrycznej 230 V, przed przystąpieniem do prac konserwacyjnych?
Posługując się tabelą dobierz wyłącznik nadmiarowo-prądowy o największym prądzie znamionowym, który może zabezpieczać obwód jednofazowy, wykonany przewodami o przekroju 1,5 mm2, ułożonymi w sposób B2.
| Tabela: Obciążalność długotrwała I, [A] przewodów miedzianych o izolacji polwinitowej przy obliczeniowej temperaturze 25oC | ||||||||||||
| Ułożenie | A1 | A2 | B1 | B2 | C | E | ||||||
| Liczba jednocześnie obciążonych żył | 2 | 3 | 2 | 3 | 2 | 3 | 2 | 3 | 2 | 3 | 2 | 3 |
| Przekrój mm2 | Dopuszczalna obciążalność długotrwała, A | |||||||||||
| 1,5 | 15,5 | 14,5 | 15,5 | 14 | 18,5 | 16,5 | 17,5 | 16 | 21 | 18,5 | 23 | 19,5 |
| 2,5 | 21 | 19 | 18,5 | 19,5 | 25 | 22 | 24 | 21 | 29 | 25 | 32 | 27 |
| 4 | 28 | 25 | 27 | 24 | 34 | 30 | 32 | 29 | 28 | 34 | 42 | 36 |
W jakiej sytuacji poślizg silnika indukcyjnego wyniesie 100%?
Wyłącznik różnicowoprądowy reagujący na prądy różnicowe przemienne, jednopołówkowe ze składową stałą do 6 mA i na prądy wyprostowane, oznaczony jest symbolem graficznym

Brak odpowiedzi na to pytanie.
Które urządzenie przedstawiono na ilustracji?

Brak odpowiedzi na to pytanie.
Które czynności powinien wykonać elektryk, posiadający uprawnienia do eksploatacji urządzeń i instalacji do 1 kV, przed wymianą uszkodzonego wyłącznika nadprądowego B16 w obwodzie gniazd wtyczkowych, aby nie pozbawić zasilania płyty grzewczej i piekarnika?

Brak odpowiedzi na to pytanie.
Jakie czynności kontrolne nie są zaliczane do oględzin urządzeń napędowych podczas ich pracy?
Brak odpowiedzi na to pytanie.
Ile wynosi skuteczność świetlna źródła światła o etykiecie przedstawionej na ilustracji?

Brak odpowiedzi na to pytanie.
Jaką rolę pełni uzwojenie pomocnicze w silniku prądu stałego?
Brak odpowiedzi na to pytanie.
Na którym rysunku przedstawiono schemat układu do wykonania pomiaru impedancji pętli zwarcia instalacji w układzie TN?

Brak odpowiedzi na to pytanie.
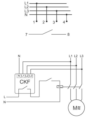
Które wyprowadzenia czujnika kontroli i zaniku faz należy włączyć szeregowo z cewką stycznika zgodnie z przedstawionymi schematami z jego instrukcji fabrycznej?

Brak odpowiedzi na to pytanie.
W którym z wymienionych miejsc można zainstalować oprawę oświetleniową posiadającą w karcie katalogowej następujące oznaczenia?

Brak odpowiedzi na to pytanie.
Jaka jest minimalna wartość napięcia probierczego, która jest wymagana podczas pomiarów rezystancji izolacji przewodów w obwodach SELV oraz PELV?
Brak odpowiedzi na to pytanie.
Na którym rysunku przedstawiono schemat montażowy poprawnie działającego układu, połączonego zgodnie z pokazanym schematem ideowym i zasadami montażu obwodów oświetleniowych?

Brak odpowiedzi na to pytanie.
W strefie 0 przedstawionego na rysunku pomieszczenia z wanną można instalować

Brak odpowiedzi na to pytanie.
Jeśli do pomiaru napięcia w sieci 230 V zastosowano miernik analogowy o dokładności 0,5 i zakresie 300 V, jakie będą wskazania tego miernika?
Brak odpowiedzi na to pytanie.
Która z poniższych działań jest zaliczana do czynności konserwacyjnych instalacji elektrycznych w domach i obiektach użyteczności publicznej?
Brak odpowiedzi na to pytanie.
Który z urządzeń umożliwia bezpośredni pomiar cos 9?
Brak odpowiedzi na to pytanie.
Którego narzędzia nie należy stosować przy wykonywaniu montażu lub demontażu elementów instalacji elektrycznych?

Brak odpowiedzi na to pytanie.