Filtrowanie pytań
Eksploatacja i programowanie …
A. TERM
B. RUN
C. START
D. STOP
Montaż, uruchamianie i konser…
Zbyt mała lepkość oleju hydraulicznego może być wynikiem zbyt
A. niskiej temperatury oleju
B. wysokiej temperatury oleju
C. wysokiego ciśnienia oleju
D. niskiej ściśliwości oleju
Montaż, uruchamianie i konser…
Przekładnie, które umożliwiają ruch posuwowy w tokarkach CNC, to
A. śrubowe toczne
B. jarzmowe
C. korbowe
D. cierne pośrednie
ELM.03 Pytanie 604
Montaż, uruchamianie i konser…
Z wykorzystaniem równania F_u = η ∙ S ∙ p oblicz powierzchnię S tłoka siłownika, w przypadku gdy siłownik generuje siłę czynną F_u = 1,6 kN przy ciśnieniu p = 1 MPa oraz współczynniku sprawności η = 0,8.
A. 1000 mm2
B. 3000 mm2
C. 1500 mm2
D. 2000 mm2
Eksploatacja i programowanie …
Jakie urządzenie powinno być użyte, aby zredukować natężenie prądu rozruchowego silnika indukcyjnego, który napędza systemy mechatroniczne?
A. Sterownik PLC
B. Włącznik z opóźnieniem
C. Ochrona przed przeciążeniem
D. Układ miękkiego startu
Montaż, uruchamianie i konser…
W przedstawionym na rysunku siłowniku dwustronnego działania ruch tłoka odbywa się w kierunku wskazanym strzałką. Jaka komora oznaczona została literą B?

A. Spływowa.
B. Nadtłokowa.
C. Podtłokowa.
D. Tłoczna.
Montaż, uruchamianie i konser…
Który rodzaj połączenia przedstawiono na rysunku?

A. sworzniowe.
B. klinowe.
C. kołkowe.
D. wciskowe.
Montaż, uruchamianie i konser…
Na podstawie wskazania mikrometru wynik pomiaru wynosi

A. 21,64 mm
B. 22,14 mm
C. 22,16 mm
D. 21,14 mm
Montaż, uruchamianie i konser…
Prędkość ruchu tłoczyska w siłowniku hydraulicznym ma odwrotną zależność od
A. powierzchni roboczej tłoka
B. wydajności siłownika
C. efektywności siłownika
D. natężenia przepływu medium roboczego do siłownika
ELM.06 Pytanie 610
Eksploatacja i programowanie …
Jakie musi być ciśnienie powietrza, aby siłownik o przekroju cylindra 312,5 mm2 i efektywności 80% wytworzył siłę nacisku równą 100 N?
A. 5 bar
B. 3 bar
C. 6 bar
D. 4 bar
Eksploatacja i programowanie …
W dokumentacji dotyczącej obsługi i konserwacji sieci komunikacyjnej sterowników PLC, które współpracują z urządzeniami mechatronicznymi, powinno się zawrzeć zalecenie dotyczące
A. układania przewodów komunikacyjnych równolegle do przewodów zasilających
B. wykorzystania przewodów o dużej pojemności wzajemnej żył
C. stosowania tylko przewodów nieekranowanych
D. dodawania dodatkowego przewodu do wyrównywania potencjałów pomiędzy żyłami
Montaż, uruchamianie i konser…
Którą technikę łączenia materiałów przedstawiono na rysunku?

A. Lutowania miękkiego.
B. Klejenia.
C. Lutowania twardego.
D. Zgrzewania.
Montaż, uruchamianie i konser…
Którego z wymienionych przyrządów pomiarowych należy użyć do wykonania pomiaru szerokości bardzo głębokiego otworu nieprzelotowego blisko dna w sposób przedstawiony na ilustracji?

A. Mikrometru wewnętrznego.
B. Średnicówki czujnikowej.
C. Głębokościomierza.
D. Wysokościomierza.
Montaż, uruchamianie i konser…
Podczas nieostrożnego lutowania pracownik narażony jest przede wszystkim na
A. poparzenie dłoni
B. krwawienie z nosa
C. uszkodzenie słuchu
D. uszkodzenie wzroku
Montaż, uruchamianie i konser…
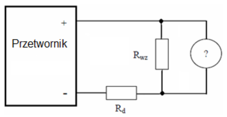
Który miernik należy zastosować w układzie, którego schemat przedstawiono na ilustracji, w celu pomiaru napięcia metodą bezpośrednią?

A. Watomierz.
B. Omomierz.
C. Woltomierz.
D. Amperomierz.
Montaż, uruchamianie i konser…
Podczas dokręcania jednakowymi śrubami głowicy przedstawionej na rysunku należy zachować następującą kolejność:

A. 5-4-1-2-3-6
B. 2-5-4-1-3-6
C. 1-6-4-3-2-5
D. 6-3-5-2-4-1
Eksploatacja i programowanie …
Podczas eksploatacji silnika prądu stałego zauważono iskrzenie szczotek spowodowane zanieczyszczeniem komutatora. Aby pozbyć się tej awarii, należy wyłączyć silnik, a potem
A. przetrzeć komutator mokrą szmatką
B. wyczyścić komutator i szczotki
C. nałożyć na komutator olej lub smar
D. oczyścić komutator i wypolerować papierem ściernym
Montaż, uruchamianie i konser…
Jaką wielkość fizyczną mierzy się w tensometrach foliowych?
A. Rezystancji
B. Pojemności
C. Indukcji
D. Indukcyjności
Eksploatacja i programowanie …
Jaką rozdzielczość ma przetwornik A/C o 10-bitowej głębokości w sterowniku PLC, gdy zakres pomiarowy wynosi 0÷10 V?
A. 100,5 mV/bit
B. 1,1 mV/bit
C. 49,4 mV/bit
D. 9,8 mV/bit
ELM.03 Pytanie 620
Montaż, uruchamianie i konser…
Do którego urządzenia odnoszą się przedstawione w ramce informacje?
| Stała wydajności (wydatek) |
| Cechy: objętość robocza 3,29 cm3/obr., prędkość obrotowa do 4800 obr./min., ciśnienie do 175 bar. |
| Zastosowanie: w hydraulicznych maszynach mobilnych i przemysłowych. |
| Zalecany napęd: bezpośredni współosiowy ze sprzęgłem elastycznym. |
| Wykorzystanie: jako urządzenie pomocnicze lub w instalacjach o niewielkich przepływach. |
A. Pompy hydraulicznej.
B. Silnika pneumatycznego.
C. Chłodnicy oleju hydraulicznego.
D. Hydroakumulatora.
Montaż, uruchamianie i konser…
Wartość mocy czynnej wskazywana przez watomierz wynosi

A. 65 W
B. 500 W
C. 130 W
D. 325 W
Montaż, uruchamianie i konser…
Pokazany na rysunku sposób montowania podzespołów elektronicznych, na płytce obwodu drukowanego, to

A. lutowanie.
B. klejenie.
C. zgrzewanie.
D. spawanie.
Montaż, uruchamianie i konser…
Narzędzie przedstawione na rysunku służy do

A. odsysania spoiwa.
B. nitowania.
C. dozowania oleju.
D. przedmuchiwania sprężonym powietrzem.
Eksploatacja i programowanie …
Aby zmierzyć dystans robota mobilnego od przeszkód, można zastosować m.in. czujniki
A. tensometryczne
B. piezoelektryczne
C. ultradźwiękowe
D. pirometryczne
Montaż, uruchamianie i konser…
Aby usunąć stycznik zamontowany na szynie, należy wykonać działania w poniższej kolejności:
A. odłączyć napięcie, zwolnić zatrzask i zdjąć stycznik z szyny, odkręcić przewody
B. odkręcić przewody, zwolnić zatrzask i zdjąć stycznik z szyny, odłączyć napięcie
C. odłączyć napięcie, odkręcić przewody, zwolnić zatrzask i zdjąć stycznik z szyny
D. zwolnić zatrzask i zdjąć stycznik z szyny, odłączyć napięcie, odkręcić przewody
Montaż, uruchamianie i konser…
~230V Zadaniem kondensatora C1 w układzie, którego schemat przedstawiono na rysunku, jest

A. zmniejszenie tętnień.
B. stabilizacja sygnału na wyjściu układu.
C. zmiana przebiegu napięcia wyjściowego z dwupołówkowego na jednopołówkowy.
D. zmiana przebiegu napięcia wyjściowego z jednopołówkowego na dwupołówkowy.
ELM.06 Pytanie 627
Eksploatacja i programowanie …
Jaką wartość częstotliwości powinno się ustawić w przetwornicy częstotliwości zasilającej silnik indukcyjny klatkowy z jedną parą biegunów, aby jego wał osiągał prędkość zbliżoną do 2400 obr./min?
A. 30 Hz
B. 50 Hz
C. 60 Hz
D. 40 Hz
Montaż, uruchamianie i konser…
Jakie jest właściwe podłączenie dla przyłącza oznaczonego literą 'T' w zaworze hydraulicznym 4/2, które ma oznaczenia A, B, P i T?
A. Do zbiornika oleju hydraulicznego
B. Do zbiornika sprężonego powietrza
C. Do siłownika dwustronnego działania
D. Do siłownika jednostronnego działania
Eksploatacja i programowanie …
Czujnik rozpoznaje elementy z tworzywa sztucznego
A. pojemnościowy
B. indukcyjny
C. piezoelektryczny
D. magnetyczny
Montaż, uruchamianie i konser…
Który przyrząd pomiarowy przedstawiono na rysunku?

A. Kamerę termowizyjną.
B. Dalmierz laserowy.
C. Detektor wycieków.
D. Multimetr uniwersalny.
Montaż, uruchamianie i konser…
Przy pracy z urządzeniami, które są zasilane, należy używać narzędzi izolowanych oznaczonych
A. symbolem podwójnego trójkąta z określoną wartością napięcia
B. napisem "narzędzie bezpieczne"
C. zielonym kolorem z żółtą obręczą
D. symbolem kwadratu z określoną wartością napięcia
ELM.03 Pytanie 632
Montaż, uruchamianie i konser…
Który element powinien zostać wymieniony w podnośniku hydraulicznym, jeśli tłoczysko siłownika unosi się, a następnie samoistnie opada?
A. Zawór bezpieczeństwa
B. Tłokowy pierścień uszczelniający
C. Sprężynę zaworu zwrotnego
D. Filtr oleju
Montaż, uruchamianie i konser…
Zależność między ciśnieniem p, temperaturą T i objętością V powietrza opisuje zależność poniżej. Obniżenie temperatury powietrza przy jego stałej objętości
p · V T | = const |
A. nie ma wpływu na ciśnienie powietrza.
B. zwiększa ciśnienie powietrza.
C. zwiększa ciśnienie powietrza dla temperatur mniejszych od 0 stop.C
D. zmniejsza ciśnienie powietrza.
Montaż, uruchamianie i konser…
W wyniku działania strumienia wysoko ciśnieniowego dwutlenku węgla na rękę pracownika doszło do odmrożenia drugiego stopnia (zaczerwienienie skóry i pojawienie się pęcherzy). Jakie działania należy podjąć, udzielając pierwszej pomocy?
A. należy posmarować odmrożone miejsce tłustym kremem i przewieźć pracownika do domu
B. należy podać leki przeciwbólowe i przetransportować poszkodowanego do szpitala
C. należy zdjąć biżuterię z palców poszkodowanego, rozgrzać dłoń i nałożyć jałowy opatrunek
D. należy polać dłoń wodą utlenioną oraz wykonać opatrunek
Montaż, uruchamianie i konser…
Aby ustalić wznios silnika indukcyjnego, należy wykonać pomiar
A. wysokości silnika
B. odległości między osią wału a podstawą uchwytów silnika
C. szerokości silnika oraz średnicy wirnika
D. średnicy stojana
Montaż, uruchamianie i konser…
Jaką metodę łączenia materiałów należy wykorzystać do zestawienia stali nierdzewnej z mosiądzem?
A. Lutowanie miękkie
B. Lutowanie twarde
C. Zgrzewanie
D. Klejenie
ELM.06 Pytanie 637
Eksploatacja i programowanie …
Jakie powinno być natężenie przepływu oleju dla silnika hydraulicznego o pojemności jednostkowej 5 cm3/obr., aby wałek wyjściowy osiągnął prędkość 1200 obr./min?
A. 6,0 dm3/min
B. 0,6 dm3/min
C. 0,1 dm3/min
D. 1,2 dm3/min
Montaż, uruchamianie i konser…
W normalnych warunkach działania wyłącznika różnicowoprądowego wektorowa suma natężeń prądów sinusoidalnych przepływających w przewodach fazowych oraz neutralnym wynosi
A. 1 A
B. 0 A
C. 3 A
D. 2 A
Eksploatacja i programowanie …
Jaką linią należy zaznaczyć na rysunku technicznym miejsce urwania lub przerwania przedmiotu?
A. Cienką z długą kreską oraz kropką.
B. Grubą kreską.
C. Cienką ciągłą linią zygzakową.
D. Grubą linią punktową.
ELM.06 Pytanie 640
Eksploatacja i programowanie …
Jakie niekorzystne zmiany w właściwościach cieczy hydraulicznych można zidentyfikować bezpośrednio w miejscu eksploatacji układu?
A. Starzenie termiczne oraz obecność powietrza
B. Zawartość osadów i wartość zasadowa
C. Zawartość cząsteczek metali i wartość kwasowa
D. Obecność wody oraz lepkość cieczy